På/av, Un=230V, I=16A InRush(160A/20ms)

Kontakt 1NC, skruvanslutning, 1 modul

Artikelnummer: 104117
Leverantörens varunummer: BIS-413-LED
På/av, Un=230V, I=16A InRush(160A/20ms) Kontakt 1NC, skruvanslutning, 1 modul På/av, Un=230V, I=16A InRush(160A/20ms) Kontakt 1NC, skruvanslutning, 1 modul På/av, Un=230V, I=16A InRush(160A/20ms) Kontakt 1NC, skruvanslutning, 1 modul
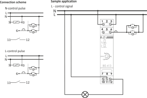
BIS-413-LED: LED-kompatibel version av BIS-413, 230V. Bistabila reläer är en typ av relä som behåller sitt läge även efter att styrströmmen kopplats bort – till skillnad från ett monostabilt relä som återgår till ursprungsläget när strömmen försvinner. Ett monostabilt relä har ett viloläge och växlar bara till sitt aktiva läge så länge styrspänning finns. Ett bistabilt relä växlar till ett nytt läge och stannar där även när styrströmmen tas bort – tills det får en ny impuls att växla tillbaka. Två typer: Tvåspols bistabilt relä – en spole ställer reläet till "på", en annan till "av". Enspols bistabilt relä (impulsrelä) – en kort impuls växlar mellan lägena (på/av). Fördelar: Strömsnålt – drar bara ström vid växling. Minnesfunktion – behåller tillstånd vid strömavbrott. Används för belysningsstyrning, automation och energibesparing.